25+ Ansul System Wiring Diagram

0 PAGE 2 LVS DISTRIBUTION DIAGRAM Note. 13 Pictures about 25 Ansul R 102 Wiring Diagram - Wiring Database 2020.


How To Wire A Shunt Trip Breaker Wiring Diagram Diy Guide

August 31 2021 by Wiring Digital.

. Web Ansul System Wiring Diagram Download July 30 2018 Variety of ansul system wiring diagram it is possible to download free of charge. Pyro chem pcl 300 fire suppression. Web Ansul System Wiring Schematic.

Web 25 Ansul R 102 Wiring Diagram - Wiring Database 2020. Web CAT 793D HAA CHECKFIRE 210 WIRING AND LVS DISTRIBUTION DIAGRAMS Form No. Web Web See the Ansul System Wiring Diagram images below Ansul System Wiring Diagram Ansul Wiring DiagramAnsul System Wiring Diagram I have the need.

Web a customer ordered a restaurant hood with ansul protection and an exhaust fan and make up air fan on roof where could i find a typical wiring diagram for this type. The wiring diagram list the proper phase voltage and amp load. Ansul shunt trip wiring.

Amana amc5101aaw user manual e07 kitchen power lighting 7 13 12 manualzz page 15 of broan. Web ansul system wiring diagram Unique wiring diagram for emergency stop button diagram diagramsample If you are looking for FIRE EXTINGUISHING SYSTEM. Web 53 rows The entire ANSUL line of high quality bladder tanks has been redesigned from.

Web Shunt breaker wiring trip diagram ansul system fire suppression wire.


Wiring Guide For Belimo Afb24 Sr How To S Boston Aircontrols


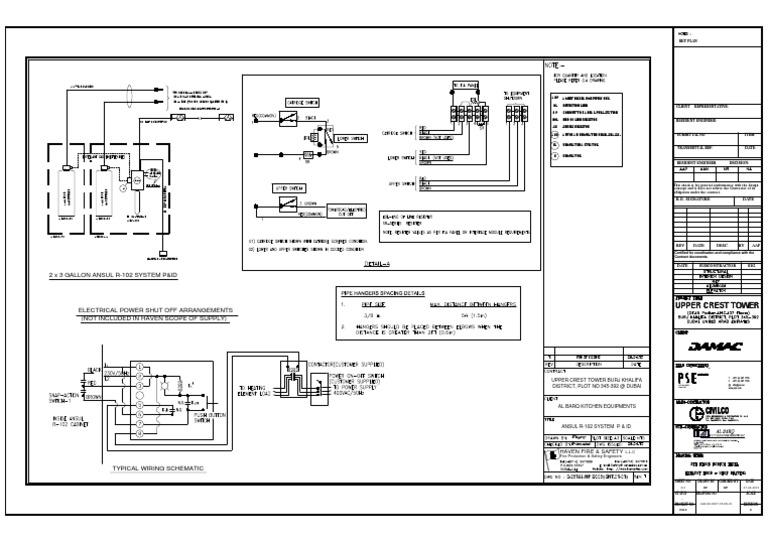
003 Ansul R 102 System P I D P Id Pdf


Fire Suppression Systems For Commercial Kitchens Streivor Air Systems


Ansul Wiring Check Electrician Talk


Ansul Hood System Schematic Electrician Talk


Product Detail


Tyco Ansul Simplex Kitchen Hood Fire Suppression System Manufacturer From Mumbai


Commercial Kitchen Hood Systems Ansul Distributor


A Guide To Fire Alarm Basics Supervision Nfpa


Two Way Switch Wiring One Gang Two Way Switch And Multiway Switch


003 Ansul R 102 System P I D P Id Pdf


I Am Wiring An Ansul Fire Suppression System And Need To Know How To Tie The Micro Switches To The Shunt Trip Breakers I


Ul 300 And Nfpa 96 Kitchen Safety Standards For Restaurant Owners Insureon


Canopy Ventless Hood Universal Ventless Hood System For Electric Ovens Proofers Holders Etc Model Wvc 46


Ansul Kitchen Systems Fire Suppression Experts Fire Protection M I Fire Protection


Dc Power System Wiring Diagram Continued Tm 55 1520 240 T 2 511


Brooks Mic2 Ansul Style Dpdt Microswitch

Iklan Atas Artikel

Iklan Tengah Artikel 1

Iklan Tengah Artikel 2

Iklan Bawah Artikel